贴片0603
贴片0603
0 评价
  • AEC-Q200 汽车级认证
  • 兼容回流焊和波峰焊
  • 卓越的环境完整性
  • 单次主动断开
  • 无铅无卤材料
库存: 0
查询
添加到购物篮
FXXXXX-0603FD 系列保险丝设定了性能、可靠性和质量的行业标准。无焊接设计在使用过程中提供了出色的开关和温度循环特性,并且还使我们的 SMD 保险丝比典型的超小型保险丝更耐热和耐冲击。


电气特性

额定电流

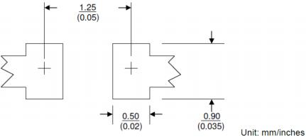
1.0英寸

2英寸

0.25~8A

4小时分钟

很长 60 秒


图片1图片2

图片3



零件编号

额定

额定

当前的

分断能力(A)1

典型耐寒性

(毫欧)2

典型的

电压

压降(mV)

典型的预

电弧 I2T

(A2秒)3

阿尔法马克

电压

直流

一个

F00250-0603FD

32V

0.250

50A

3250

893

0.00042

D

F00375-0603FD

0.375

1310

587

0.00093

F00500-0603FD

0.500

1070

582

0.001

F

F00750-0603FD

0.750

470

427

0.009

G

F01000-0603FD

1

230

335

0.011

F01500-0603FD

1.5

150

270

0.045

H

F02000-0603FD

2

72

160

0.115

K

F02500-0603FD

2.5

52

145

0.14

L

F03000-0603FD

3

35

130

0.21

F03500-0603FD

3.5

23.8

130

0.5

F04000-0603FD

4

21

120

0.56

S

F05000-0603FD

5

14

110

1.2

时间

F06000-0603FD

6

8.5

110

1.7

V**

F07000-0603FD

7

7.3

80

2.3

X**

F08000-0603FD

8

5.1

75

3.0

Z**


订阅我们的时事通讯
订阅

更多链接

联系我们

漕河泾科技园9号4楼201613
上海市广富林东路199号启迪
电话:+ 18721669954
传真:+86-21-67689607
邮箱: global@yint.com

社交网络

版权所有 © 2024 银特电子 All Rights Reserved. 网站地图. 隐私政策。支持者 领动网.