D1000/1200/1500-20K-PV3P
D1000/1200/1500-20K-PV3P
0 評價
適用於光伏直流電力系統的防雷。保護光伏直流電源系統免受雷擊或浪湧引起的過電壓,減少過電壓對設備造成的損壞。
庫存: 0
查詢
添加到購物籃

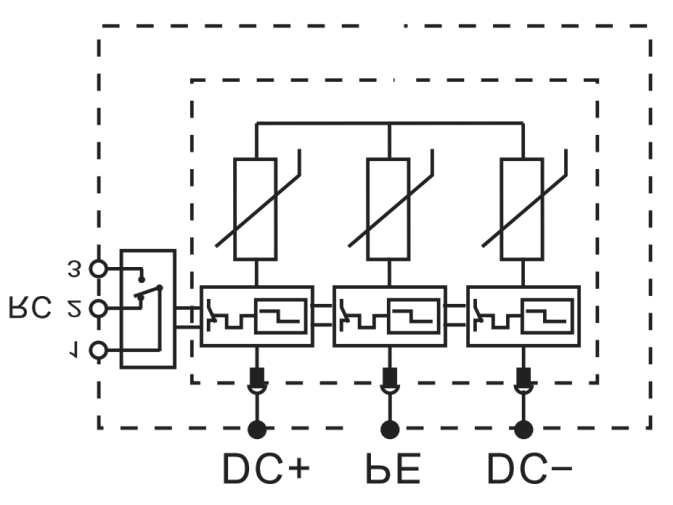
圖片2


微信圖片_20240115101401

模型

D 1000-20 K -PV 3P

D 1200-20 K-光伏3發電

D 1500-20 K-光伏3發電

依據標準:GB/T18802.31/IEC61643-31

2 級/II 類

標稱直流電壓(Un)

1000V

1200V

1500V

直流更大連續工作電壓(Uc)

1000V

1200V

1500V

標稱放電電流 (8/20 μs ) [ln]

20KA

更大放電電流(8/ 20μs )[lmax ]

40KA

電壓保護等級 (Up)

3.6電壓

4.2電壓

4.6電壓

電壓保護等級@5KA  (Up)

-

響應時間 ( t)

≤25納秒

外部備用保險絲

80AgG

電流

≤2 0A

工作溫度範圍(Tu)

-40℃~+80℃

工作狀態/故障指示

綠色/紅色

很小安裝導體截面積

1.5mm²實心線/軟線

更大安裝導體截面積

35mm²絞線/25mm²軟線

安裝方法

35mm DIN 導軌,符合 EN 60715

外殼材質

灰色熱塑性塑料,UL94 V-0

安裝位置

室內的

防護等級

  IP20

尺寸

3 數字模擬,DIN 43880

相對濕度

    ≤5 9% 無凝露

遙信接點類型(可選)

    浮動開關觸電

交流負載能力

250/0.5

直流負載能力

250伏安/0.1125V 0.2A / 75V 0.5A/

遙信終端截面積

更大1.5mm²實心線/軟線


訂閱我們的時事通訊
訂閱

更多鏈接

聯繫我們

漕河涇科技園9號4樓201613
上海市廣富林東路199號啟迪
電話:+ 18721669954
傳真:+86-21-67689607
郵箱: global@yint.com

社交網絡

版權所有 © 2024 銀特電子 All Rights Reserved. 網站地圖. 隱私政策。支持者 領動網.