D75/100/250/500/800/1000-20K-PV2P
D75/100/250/500/800/1000-20K-PV2P
0評估
適用於太陽能光伏發電系統或其他直流供電系統的防雷保護,保護直流供電系統免受雷擊或過電壓的影響。
庫存: 0
查詢
添加到籃子裡

圖片1


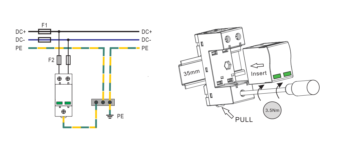
接線圖D75(100、250、500、800、1000)-20K-PV2P

模型

D75-20K PV2PD100-20K PV2PD250-20K PV2PD500-20K PV2PD800-20K PV2PD1000-20K-PV2P

依據標準:GB/T18802.31/IEC61643-3

2 級/I 類

標稱直流電壓(Un)

75V100V250V500V800V1000V

直流更大連續工作電壓(Uc)

100V150V300V600V800V1000V

標稱放電電流 (8/20μs) [ln]

20KA

更大放電電流(8/20μs)[lmax]

40KA

電壓保護等級(Up)

0.8KV1.0KV1.5KV2.2KV3.0KV3.5KV

電壓保護等級@5KA(Up)

-

響應時間(t)

≤25納秒

外部備用保險絲

80A gG

漏電流

≤20μA

工作溫度範圍(Tu)

-40℃~+80℃

工作狀態/故障指示

綠色/紅色

很小安裝導體截面積

1.5mm²實心線/軟線

更大安裝導體截面積

35mm²絞線/25mm²軟線

安裝方法

符合 EN 60715 的 35mm DIN 導軌

外殼材質

灰色熱塑性塑料,UL94 V-0

安裝位置

室內的

防護等級

IP20

尺寸

2 數字模擬,DIN 43880

相對濕度

≤95%無凝露

遙信觸點類型(可選)

浮動開關觸電

交流負載能力

250V/0.5A

直流負載能力

250V/0.1A,125V/0.2A, 75V/0.5A

遙信終端截面積

更大1.5mm²實心線/軟線


註冊我們的新聞通訊
訂閱

更多鏈接

聯繫我們

F4,#9 Tus-Caohejing Sceience Park,
No.199 Guangfulin E Road,上海201613
電話: +86- 18721669954
傳真: +86-21-67689607
電子郵件: global@yint.com .cn

社交網絡

版權所有© 2024 Yint電子保留所有權利。 站點地圖. 隱私政策。支持 Leadong.com.