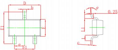
- 平面模具結構
- 300mW 功耗
- 齊納電壓範圍為 2.4V - 43V
- 超小型表面貼裝封裝功耗
範圍
| 象徵 | 價值 | 單元 |
正向電壓(注 2)@ IF = 10mA
| 室顫 | 0.9 | V |
功耗(注1)
| 鈀 | 300 | 毫瓦 |
從結到環境的熱阻
| θJA | 417 | 西/西 |
工作結溫和存儲溫度範圍
| TJ、Tstg | -55~+150 | C |
零件編號 | 視區*1 | 伊茲特 | ZZT@IZT | ZZK@IZK | 伊茲克 | 紅外 | 虛擬現實 | 溫度 係數 齊納電壓 @IZT=5mA mV/°C |
標稱 (V) | 很小(V) | 更大 (V) | 毫安 | 問 | (毫安) | (微安) | (v) | 很小 | 更大限度 |
Y23VZP3D2V4 | 2.4 | 2.2 | 2.6 | 5 | 100 | 600 | 1 | 50 | 1 | -3.5 | 0 |
Y23VZP3D2V7 | 2.7 | 2.5 | 2.9 | 5 | 100 | 600 | 1 | 20 | 1 | -3.5 | 0 |
Y23VZP3D3V0 | 3.0 | 2.8 | 3.2 | 5 | 95 | 600 | 1 | 10 | 1 | -3.5 | 0 |
Y23VZP3D3V3 | 3.3 | 3.1 | 3.5 | 5 | 95 | 600 | 1 | 5 | 1 | -3.5 | 0 |
Y23VZP3D3V6 | 3.6 | 3.4 | 3.8 | 5 | 90 | 600 | 1 | 5 | 1 | -3.5 | 0 |
Y23VZP3D3V9 | 3.9 | 3.7 | 4.1 | 5 | 90 | 600 | 1 | 3 | 1 | -3.5 | 0 |
Y23VZP3D4V3 | 4.3 | 4.0 | 4.6 | 5 | 90 | 600 | 1 | 3 | 1 | -3.5 | 0 |
Y23VZP3D4V7 | 4.7 | 4.4 | 5.0 | 5 | 80 | 500 | 1 | 3 | 2 | -3.5 | 0.2 |
Y23VZP3D5V1 | 5.1 | 4.8 | 5.4 | 5 | 60 | 480 | 1 | 2 | 2 | -2.7 | 1.2 |
Y23VZP3D5V6 | 5.6 | 5.2 | 6.0 | 5 | 40 | 400 | 1 | 1 | 2 | -2.0 | 2.5 |
Y23VZP3D6V2 | 6.2 | 5.8 | 6.6 | 5 | 10 | 150 | 1 | 3 | 4 | 0.4 | 3.7 |
Y23VZP3D6V8 | 6.8 | 6.4 | 7.2 | 5 | 15 | 80 | 1 | 2 | 4 | 1.2 | 4.5 |
Y23VZP3D7V5 | 7.5 | 7.0 | 7.9 | 5 | 15 | 80 | 1 | 1 | 5 | 2.5 | 5.3 |
Y23VZP3D8V2 | 8.2 | 7.7 | 8.7 | 5 | 15 | 80 | 1 | 0.7 | 5 | 3.2 | 6.2 |
Y23VZP3D9V1 | 9.1 | 8.5 | 9.6 | 5 | 15 | 100 | 1 | 0.5 | 6 | 3.8 | 7.0 |
Y23VZP3D10 | 10 | 9.4 | 10.6 | 5 | 20 | 150 | 1 | 0.2 | 7 | 4.5 | 8.0 |
Y23VZP3D11 | 11 | 10.4 | 11.6 | 5 | 20 | 150 | 1 | 0.1 | 8 | 5.4 | 9.0 |
Y23VZP3D12 | 12 | 11.4 | 12.7 | 5 | 25 | 150 | 1 | 0.1 | 8 | 6.0 | 10.0 |
Y23VZP3D13 | 13 | 12.4 | 14.1 | 5 | 30 | 170 | 1 | 0.1 | 8 | 7.0 | 11.0 |
Y23VZP3D15 | 15 | 13.8 | 15.6 | 5 | 30 | 200 | 1 | 0.1 | 10.5 | 9.2 | 13.0 |
Y23VZP3D16 | 16 | 15.3 | 17.1 | 5 | 40 | 200 | 1 | 0.1 | 11.2 | 10.4 | 14.0 |
Y23VZP3D18 | 18 | 16.8 | 19.1 | 5 | 45 | 225 | 1 | 0.1 | 12.6 | 12.4 | 16.0 |
Y23VZP3D20 | 20 | 18.8 | 21.2 | 5 | 55 | 225 | 1 | 0.1 | 14 | 14.4 | 18.0 |
Y23VZP3D22 | 22 | 20.8 | 23.3 | 5 | 55 | 250 | 1 | 0.1 | 15.4 | 16.4 | 20.0 |
Y23VZP3D24 | 24 | 22.8 | 25.6 | 5 | 70 | 250 | 1 | 0.1 | 16.8 | 18.4 | 22.0 |
Y23VZP3D27 | 27 | 25.1 | 28.9 | 2 | 80 | 300 | 0.5 | 0.1 | 18.9 | 21.4 | 25.3 |
Y23VZP3D30 | 30 | 28.0 | 32.0 | 2 | 80 | 300 | 0.5 | 0.1 | 21 | 24.4 | 29.4 |
Y23VZP3D33 | 33 | 31.0 | 35.0 | 2 | 80 | 325 | 0.5 | 0.1 | 23.1 | 27.4 | 33.4 |
Y23VZP3D36 | 36 | 34.0 | 38.0 | 2 | 90 | 350 | 0.5 | 0.1 | 25.2 | 30.4 | 37.4 |
Y23VZP3D39 | 39 | 37.0 | 41.0 | 2 | 130 | 350 | 0.5 | 0.1 | 27.3 | 33.4 | 41.2 |
Y23VZP3D43 | 43 | 40.0 | 46.0 | 2 | 100 | 700 | 1 | 0.1 | 32 | 10 | 12 |
![圖片2]()
象徵 | 尺寸以毫米為單位 | 尺寸(英寸) |
很小 | 更大限度 | 很小 | 更大限度 |
一個 | 0.900 | 1.150 | 0.035 | 0.045 |
A1 | 0.000 | 0.100 | 0.000 | 0.004 |
A2 | 0.900 | 1.050 | 0.035 | 0.041 |
乙 | 0.300 | 0.500 | 0.012 | 0.020 |
c | 0.080 | 0.150 | 0.003 | 0.006 |
d | 2.800 | 3.000 | 0.110 | 0.118 |
乙 | 1.200 | 1.400 | 0.047 | 0.055 |
E1 | 2.250 | 2.550 | 0.089 | 0.100 |
e | 0.950典型值 | 0.037典型值 |
e1 | 1.800 | 2.000 | 0.071 | 0.079 |
L | 0.550REF | 0.022REF |
L1 | 0.300 | 0.500 | 0.012 | 0.020 |
θ | 0° | 8° | 0° | 8° |