EMC Solution for the Control Mainboard of Education-Training Robots
YINT Home » Solution » Solution » EMC Laboratory » EMC Solution for the Control Mainboard of Education-Training Robots

EMC Solution for the Control Mainboard of Education-Training Robots

Views: 0     Author: Site Editor     Publish Time: 2025-06-30      Origin: Site

Inquire

facebook sharing button
twitter sharing button
line sharing button
wechat sharing button
linkedin sharing button
pinterest sharing button
whatsapp sharing button
sharethis sharing button

EMC and Reliability Design for Power Interfaces

DC Power Interface: Connects to external power adapters (e.g., 5V/12V DC input). Certain mainboard chips support power delivery via USB.

图片1


Model Number Product

Functional Location

Function Package

3R090

GDT Power Interface

Surge Protection & Lightning Arrest

3RXXXL

SMBJ6.5CA

TVS Diode

Power Interface

Surge & Load Dump

SMB/Do-214AA
SMCJ15CA TVS Diode Power Interface

Surge & Load Dump

SMC/Do-214AB

CMZ7060A-701T

EMI Common Mode Choke (CMC) Power Interface

Conducted Emission (CE) Compliance Focused Common Mode Suppression with Low Current Rating Requirements for Compact Packaging

Through-Hole (TH)


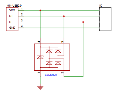
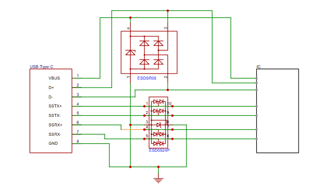
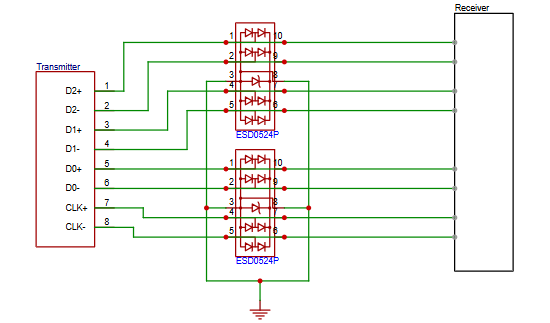
EMC and Robust Hot-Plugging Reliability Design for USB Type-C Interfaces

USB interfaces deliver high-speed data transfer capabilities and are widely implemented for connecting robots with external storage devices, sensors, and peripheral systems. Operating in high-speed mode, these interfaces achieve data transfer rates up to 5 Gbps, enabling rapid transmission of large-volume data streams such as robotic vision imaging data.

Featuring plug-and-play functionality, USB interfaces allow users to seamlessly connect and interchange devices during operation. This significantly enhances operational convenience in robotic applications while serving as critical connectivity solutions across diverse robotic implementation scenarios.


图片2


Model Number

Product

Functional Location

Function

Package

ESD0524P

ESD

USB Interface

Surge & Load Dump

DFN2510

ESDSR05

ESD

USB Interface

Surge & Load Dump

SOT143


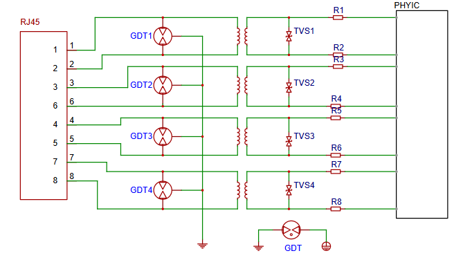
EMC and Hot-Swap Reliability Design for Ethernet Interfaces

Ethernet Interface:

Wired Network Connectivity Support (Common in Robotic Mainboards)

The Ethernet interface delivers stable network connectivity for robotic systems, enabling remote control and real-time data exchange. Via Ethernet, robots can upload operational data to cloud platforms and receive remote commands to achieve intelligent teleoperation capabilities.

This interface supports transmission rates up to 1000 Mbps or higher, meeting demanding requirements for high-speed, reliable data transfer in industrial automation, smart logistics, and other mission-critical robotics applications.


图片3


Model Number

Product

Functional Location

Function

Package

3R090L

GDT Ethernet Interface Surge

3RXXXL

2R090L

GDT

Ethernet Interface

Surge 2RXXXL

ESDLC3V3D3B

ESD

Ethernet Interface

Surge & Load Dump

SOD323


EMC and Hot-Plug Reliability Design for HDMI Interfaces

HDMI Interface: Used for connecting displays to output video signals (supported by select development boards).


图片4


图片5


Model Number

Product

Functional Location

Function

Package

Features

ESD0524P ESD HDMI Interface

Surge & Load Dump

DFN2510

High Adoption Rate with Optimized Value-to-Performance Ratio


EMC and Hot-Plug Robustness Design for GPIO/UART/I2C Interfaces

GPIO Interface (General Purpose Input/Output): Used for connecting peripherals such as sensors and actuators, supporting customizable programming control.

图片7

图片6


Model Number

Product

Functional Location

Function Package

ESD5V0D3B

ESD GPIO Interface

Surge & Load Dump

SOD323

PBZ1608A02Z0T

Ferrite Bead GPIO Interface

High-Frequency Interference Mitigation


1608



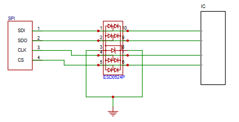
SPI Interface EMC and Hot-Plug Reliability Design

SPI Interface: A high-speed serial communication interface used to connect memory chips, displays, and other peripherals.

图片8


图片9


Model Number

Product

Functional Location

Function

Package
ESD0524P

ESD

SPI Interface

Surge & Load Dump

DFN2510


PWM Interface EMC and Hot-Swap Robustness Design

PWM Interface (Pulse Width Modulation Interface)

Used for power control of motors, LEDs, and other devices.

Example Implementation (Development Board):

PWM Servo Interface: 8-channel

Connector Type: 3-pin standard servo connector (GND, VCC, PWM)

图片10


Model Number

Product

Functional Location

Function Package

ESDULC3V3D8B

ESD

MCU Interface

Surge & Load Dump

SOD882


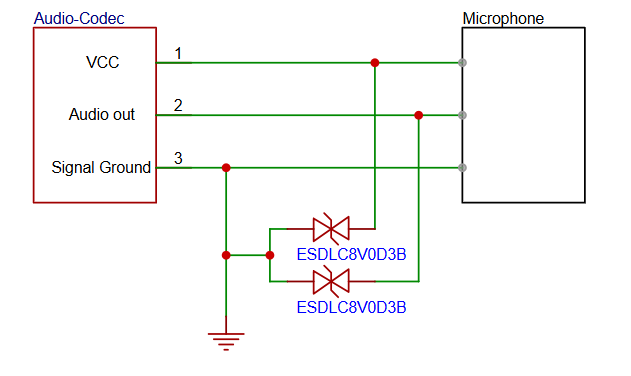
Audio Interface (3.5mm) EMC and Reliability Design

Audio Interface (3.5mm): Supports Microphone Input or Speaker Output

图片11


Model Number

Product

Functional Location

Function

Package

Features

ESDLC8V0D3B ESD

Audio Interface

Surge & Load Dump

SOD323

Hand-Soldering Friendly
ESDLC5V0D8B ESD

Audio Interface

Surge & Load Dump

SOD882

SMT-Compatible


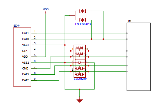
EMC and Robustness Design for Storage Interfaces

SD Card Slot :Used to expand storage capacity for system files or data.

TF (microSD™) Card Slot:Employed in select compact development boards as the primary storage medium.


图片12


Model Number

Product

Functional Location

Function

Package
ESD0524P

ESD

SD Card Interface

Surge & Load Dump

DFN2510

ESD5V0APB

ESD

SD Card Interface

Surge & Load Dump

SOT23


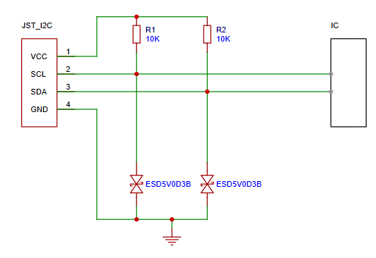
EMC and Hot-Plug Reliability Design for JST Connectors

JST® Connectors: Dedicated interfaces for power/signal connections to batteries, servos, and other devices.

图片13


图片14


Model Number

Component Type

Functional Location

Function Package
ESD5V0D3B

ESD

I2C Interface

Surge & Load Dump

SOD323



EMC Design and Hot-Plug Robustness for Header Connectors

Header Connectors: Accommodate cables or expansion boards for functional expansion, enabling signal/power transmission.


图片15


Model Number

Component Type

Functional Location

Function

Package

ESDSR05

ESD

USB Interface

Surge & Load Dump

SOT143



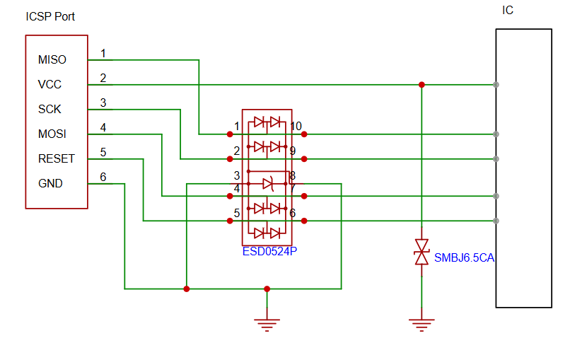
EMC Design and Hot-Plug Reliability for ICSP Interfaces

ICSP Interface: Enables direct in-circuit programming and debugging of microcontrollers on development boards without removal, providing critical convenience for developers.


图片16

Type

Component Type

Functional Location

Function

Package

ESD0524P

ESD

ICSP Interface Surge & Load Dump

DFN2510

SMBJ6.5CA

TVS

ICSP Interface Surge & Load Dump

SMB

Sign up for our newsletter
Subscribe

OUR PRODUCTS

ABOUT US

MORE LINKS

CONTACT US

F4, #9 Tus-Caohejing Sceience Park,
No.199 Guangfulin E Road, Shanghai 201613
Phone: +86-18721669954
Fax : +86-21-67689607
Email: global@yint.com.cn

SOCIAL NETWORKS

Copyright © 2024 Yint Electronic All Rights Reserved. Sitemap. Privacy Policy. Supported by leadong.com.