SOT-23 MOSFET
SOT-23 MOSFET
0 評價
  • 封裝名稱:SOT-23
  • VDS=-60V,ID=-4.0A
  • RDS(ON) <120mΩ @ VGS=-10V
  • 高密度設計
  • 低導通電阻RDS(on)
  • 出色的EAS能力
  • 有害物質限制指令產品
庫存: 0
查詢
添加到購物籃

應用 

  • 負荷開關 

  • 脈寬調製應用 

  • 轉換器 

  • 電源





微信圖片_20240228132709

特徵:

  • 體積小:SOT23封裝體積小,適用於便攜式設備和微型電子產品,如智能手機、平板電腦、藍牙設備等。

  • 表面貼裝技術:SOT23採用表面貼裝技術(SMT),簡化了製造工藝,有利於提高生產效率。

  • 熱性能:SOT23封裝的設計通常允許器件將熱量散發到封裝外部,這有助於降低溫度並提高器件穩定性。

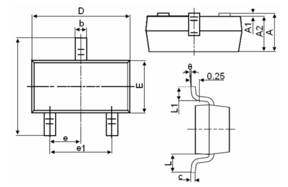
sot-23

象徵
尺寸(毫米)
很小值更大限度。

一個

0.9001.150
A1
0.0000.100
A20.9001.050

0.3000.500
c0.0800.150
D2.8003.000
1.2001.400
E12.2502.550
e
0.950TYP
e11.8002.000
L0.550REF
L10.300
0.500
θ


筆記: 

1.所有尺寸均以毫米為單位。

2、除非另有說明,公差±0.10mm  

3. 封裝體尺寸不包括模具毛邊和澆口毛刺。  

4. 尺寸 L 在標準平面內測量。  

5. 控制尺寸為毫米,換算後的英寸尺寸不一定準確。


電壓零件名稱V(BR)DSSID配置RDS(on)型RDS(on)型V(Gs)th-minV(Gs)th-更大
(五)(一個)(mQ)10V(mQ)4.5V(五)(五)
-60HLT4P06-60-4單身的100
-1-2.5
-60HLT5P06-60-5單身的80
-1-2.5
-40HLT5P04-40-5單身的6585-1-2.5
-30HLG3453A1N-30-2單身的115150-1-2.5
-30HLG2303A1N-30-2.6單身的72110-1-2.5
-30HLG2303BA1N-30-3單身的5580-1-2.5
-30HLG3407A1N-30-4.3單身的4250-1-2.5
-30HLG3401A1N-30-4.3單身的4046-0.4-1
-20HLG2301A1N-20-2.3單身的
90-0.4-1
-20HLG2301BA1N-20-3單身的
58-0.4-1
-20HLG2301CA1N-20-3.2單身的
49-0.4-1
-20HLG2301DA1N-20-2單身的
120-0.4-1
-20HLG2305A1N-20-5單身的
32-0.4-1
-20HLG3415A1N-20-4單身的
31-0.4-1
-20HLT7P02A1N-20-7單身的
20-0.4-1
-15HLG3417A1N-15-4.5單身的
27-0.45-1
-15HLG2301EA1N-15-2.6單身的
55-0.4-1
-15HLG2301FA1N-15-3單身的
42-0.4-1
-15HLG2305CA1N-15-5.6單身的
23-0.4-1
-12HLG2301GA1N-12-2單身的
73-0.4-1
-12HLG2305EA1N-12-4.1單身的
29-0.45-1
-12HLT6P01A1N-12-6單身的
19-0.4-1
20HLG3134200.75單身的
1650.351.1
20HLG2302B203單身的
380.551.25
20HLG2300204.5單身的
200.451
20HLG2302204.3單身的
210.551.25
20HLG3416E207單身的
130.451
30HLG3400305.6單身的20240.651.5
30HLG3404305.6單身的172612.5
40HLT5N04A1N405單身的304012.5
50HLG138500.34單身的1100130012
60HLG7002600.3單身的1100130012
60HLG7002E600.3單身的1100130012
60HLT3N06603單身的859512
100HLG123A1N1000.2單身的3000350012.5
100HLT2N101002單身的25026012.5
150HLT2N151502單身的26032012.5


訂閱我們的時事通訊
訂閱

更多鏈接

聯繫我們

漕河涇科技園9號4樓201613
上海市廣富林東路199號啟迪
電話:+ 18721669954
傳真:+86-21-67689607
郵箱: global@yint.com

社交網絡

版權所有 © 2024 銀特電子 All Rights Reserved. 網站地圖. 隱私政策。支持者 領動網.