
Product innovation is the theme of the times, and our company constantly innovates products to adapt to new market and application needs! Launch HD series high-voltage products, mainly HD series
2000V HD520
2800V HD528





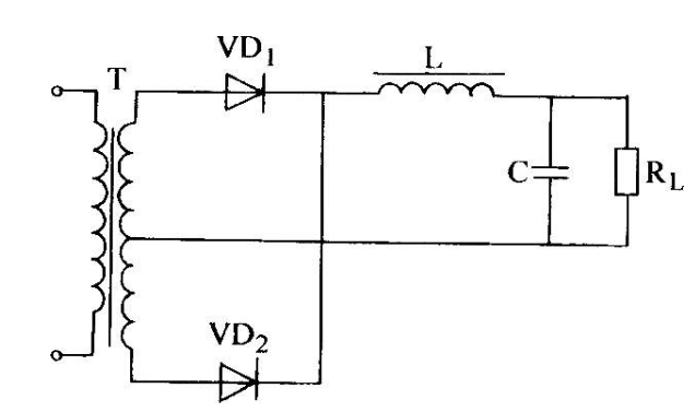
Experienced engineers know at a glance that when working in the upper or lower half of the cycle, there are always two or one pipes that have to withstand high pressure, and our HD series products precisely solve this problem!
Learn more about the specification sheet!
We have other popular products to replace the following models:
DDZ5V1B-7、DDZ5V6B-7、DDZ6V2B-7、DDZ6V8B-7、DDZ6V8C-7、DDZ7V5B-7、DDZ7V5C-7、DDZ8V2B-7、DDZ8V2C-7、DDZ9678-7、DDZ9681-7、DDZ9682-7、DDZ9683-7、DDZ9684-7、DDZ9685-7、DDZ9686-7、DDZ9687-7、DDZ9688-7、DDZ9689-13、DDZ9689-7、DDZ9690-7、DDZ9691-7、DDZ9692-7、DDZ9693-7、DDZ9694-7、DDZ9696-7、DDZ9697-7、DDZ9698-7、DDZ9699-7、DDZ9700-7、DDZ9701-7、DDZ9702-7、DDZ9703-7、DDZ9704-7、DDZ9705-7、DDZ9707-7、DDZ9708-7、DDZ9709-7、DDZ9711-7、DDZ9712-7、DDZ9713-7、DDZ9714-7、DDZ9715-7、DDZ9716-7、DDZ9717-7、DDZ9V1B-7、DDZ9V1C-7、MMSZ5221B-7-F、MMSZ5223B-7-F、MMSZ5225B-7-F、MMSZ5226B-7-F、MMSZ5227B-7-F、MMSZ5228B-7-F、MMSZ5229B-7-F、MMSZ5230B-13-F、MMSZ5230B-7-F、MMSZ5231B-7-F、MMSZ5232B-7-F、MMSZ5233B-7-F、MMSZ5234B-7-F、MMSZ5235B-7-F、MMSZ5236B-7-F、MMSZ5237B-7-F、MMSZ5238B-7-F、MMSZ5239B-7-F、MMSZ5240B-7-F、MMSZ5241B-7-F、MMSZ5242B-7-F、MMSZ5243B-7-F、MMSZ5245B-7-F、MMSZ5246B-7-F、MMSZ5248B-7-F、MMSZ5250B-7-F、MMSZ5251B-7-F、MMSZ5252B-13-F、MMSZ5252B-7-F、MMSZ5254B-7-F、MMSZ5255B-7-F、MMSZ5256B-13-F、MMSZ5256B-7-F、MMSZ5257B-7-F、MMSZ5258B-7-F、MMSZ5259B-7-F、BZT52C10S-7-F、BZT52C11S-7-F、BZT52C12S-7-F、BZT52C13S-7-F、BZT52C15S-7-F、BZT52C16S-7-F、BZT52C18S-7-F、BZT52C20S-7-F、BZT52C22S-7-F、BZT52C24S-7-F、BZT52C27S-7-F、BZT52C27S-7-F、BZT52C2V0S-7-F、BZT52C2V4S-7-F、BZT52C2V4S-7-F、BZT52C2V7S-7-F、BZT52C30S-7-F、BZT52C33S-7-F、BZT52C36S-7-F、BZT52C39S-7-F、BZT52C3V0S-7-F、BZT52C3V3S-7-F、BZT52C3V6S-7-F、BZT52C3V9S-7-F、BZT52C4V3S-7-F、BZT52C4V7S-7-F、BZT52C51S-7、BZT52C5V1S-7-F、BZT52C5V6S-7-F、BZT52C6V2S-7-F、BZT52C6V8S-7-F、BZT52C7V5S-7-F、BZT52C8V2S-7-F、BZT52C9V1S-7-F、DDZ10CS-7、DDZ11CS-7、DDZ12CS-7、DDZ13BS-7、DDZ14S-7、DDZ15S-7、DDZ16S-7、DDZ18CS-7、DDZ20CS-7、DDZ22DS-7、DDZ24CS-7、DDZ27DS-7、DDZ30DS-7、DDZ33S-7、DDZ36S-7、DDZ43S-7、DDZ47S-7、DDZ5V1BS-7、DDZ5V6BS-7、DDZ6V2BS-7、DDZ6V8CS-7、DDZ7V5CS-7、DDZ8V2CS-7、DDZ9682S-7、DDZ9683S-7、DDZ9684S-7、DDZ9685S-7、DDZ9686S-7、DDZ9687S-7、DDZ9688S-7、DDZ9689S-7、DDZ9690S-7、DDZ9691S-7、DDZ9692S-7、DDZ9693S-7、DDZ9694S-7、DDZ9696S-7、DDZ9697S-7、DDZ9698S-7、DDZ9699S-7、DDZ9700S-7、DDZ9701S-7、DDZ9702S-7、DDZ9703S-7、DDZ9705S-7、DDZ9707S-7、DDZ9708S-7、DDZ9709S-7、DDZ9711S-7、DDZ9712S-7、DDZ9713S-7、DDZ9714S-7、DDZ9715S-7、DDZ9716S-7、DDZ9717S-7、DDZ9V1CS-7、MMSZ5221BS-7-F、MMSZ5223BS-7-F、MMSZ5225BS-7-F、MMSZ5226BS-7-F、MMSZ5227BS-7-F、MMSZ5228BS-7-F、MMSZ5229BS-7-F、MMSZ5230BS-7-F、MMSZ5231BS-7-F、MMSZ5232BS-7-F、MMSZ5233BS-7-F、MMSZ5234BS-7-F、MMSZ5235BS-7-F、MMSZ5236BS-7-F、MMSZ5237BS-7-F、MMSZ5238BS-7-F、MMSZ5239BS-7-F、MMSZ5240BS-7-F、MMSZ5241BS-7-F、MMSZ5242BS-7-F、MMSZ5243BS-7-F、MMSZ5245BS-7-F、MMSZ5246BS-7-F、MMSZ5248BS-7-F、MMSZ5250BS-7-F、MMSZ5251BS-7-F、MMSZ5252BS-7-F、MMSZ5254BS-7-F、MMSZ5255BS-7-F、MMSZ5256BS-7-F、MMSZ5257BS-7-F、MMSZ5258BS-7-F、MMSZ5259BS-7-F、UDZ10B-7、UDZ11B-7、UDZ12B-7、UDZ13B-7、UDZ15B-7、UDZ3V6B-7、UDZ3V9B-7、UDZ4V3B-7、UDZ5V1B-7、UDZ5V6B-7、UDZ6V2B-7、UDZ6V8B-7、UDZ7V5B-7、UDZ8V2B-7、UDZ9V1B-7、1N4148WT-7、1N4448HWT-7、BZT52C2V0T-7、BZT52C2V4T-7、BZT52C2V7T-7、BZT52C3V0T-7、BZT52C3V3T-7、BZT52C3V6T-7、BZT52C3V9T-7、BZT52C4V3T-7、BZT52C4V7T-7、BZT52C5V1T-7、BZT52C5V6T-7、BZT52C6V2T-7、BZT52C6V8T-7、BZT52C7V5T-7、BZT52C8V2T-7、BZT52C9V1T-7、BZT52C10T-7、BZT52C11T-7、BZT52C12T-7、BZT52C13T-7、BZT52C15T-7、BZT52C16T-7、BZT52C18T-7、BZT52C20T-7、BZT52C22T-7、BZT52C24T-7、DDZ9689T-7、DDZ9690T-7、DDZ9691T-7、DDZ9692T-7、DDZ9693T-7、DDZ9694T-7、DDZ9696T-7、DDZ9697T-7、DDZ9698T-7、DDZ9699T-7、DDZ9700T-7、DDZ9701T-7、DDZ9702T-7、DDZ9703T-7、DDZ9705T-7、DDZ9707T-7、DDZ9708T-7、DDZ9709T-7、DDZ9711T-7、DDZ9712T-7、DDZ9713T-7、DDZ9714T-7、DDZ9715T-7、DDZ9716T-7、DDZ9717T-7、DMOZ20V-7、DMOZ33V-7、SDM03U40-7、SDM10U45-7、SDM20U30-7、SDM20U40-7、T12S5-7、T3V3S5-7、T5V0S5-7、T6V0S5-7、AP1121BSG-13、AP1509-12SG-13、AP1509-33SG-13、AP1509-50SG-13、AP1509-SG-13、AP1510SG-13、AP1513SG-13、AP1533SG-13、AP1605SG-13、AP1609SG-13、AP2008SG-13、AP34063S8G-13、AP358SG-13、AP393SG-13、APX393SG-13、AP1117E15G-13、AP1117E15G-13、AP1117E18G-13、AP1117E25G-13、AP1117E33G-13、AP1117E50G-13、AP1117EG-13、AP1117EG-13-01、AP1122EG-13、AZ23C10-7-F、AZ23C11-7-F、AZ23C12-7-F、AZ23C13-7-F、AZ23C15-7-F、AZ23C16-7-F、AZ23C18-7-F、AZ23C20-13-F、AZ23C20-7-F、AZ23C22-7-F、AZ23C24-7-F、AZ23C27-7-F、AZ23C2V7-7-F、AZ23C30-7-F、AZ23C33-7-F、AZ23C36-13-F、AZ23C36-7-F、AZ23C39-7-F、AZ23C3V0-7-F、AZ23C3V3-7-F、AZ23C3V6-7-F、AZ23C3V9-7-F、AZ23C43-7-F、AZ23C47-7-F、AZ23C4V3-7-F、AZ23C4V7-7-F、AZ23C51-7-F、AZ23C5V1-13-F、AZ23C5V1-7-F、AZ23C5V6-7-F、AZ23C6V2-7-F、AZ23C6V8-7-F、AZ23C7V5-7-F、AZ23C8V2-7-F、AZ23C9V1-7-F、BZX84B3V9-7-F、BZX84B5V1-7-F、BZX84B5V6-7-F、BZX84B8V2-7-F、BZX84C10-13-F、BZX84C10-13-F、BZX84C10-7-F、BZX84C10-7-F、BZX84C11-7-F、BZX84C12-13-F、BZX84C12-7-F、BZX84C13-7-F、BZX84C13-7-F、BZX84C15-7-F、BZX84C16-7-F、BZX84C18-7-F、BZX84C18-7-F、BZX84C20-13-F、BZX84C20-7-F、BZX84C22-7-F、BZX84C24-7-F、BZX84C27-7-F、BZX84C27-7-F、BZX84C2V4-7-F、BZX84C2V4-7-F、BZX84C2V7-7-F、BZX84C30-7-F、BZX84C30-7-F、BZX84C33-7-F、BZX84C36-7-F、BZX84C39-7-F、BZX84C39-7-F、BZX84C3V3-7-F、BZX84C3V6-7-F、BZX84C3V6-7-F、BZX84C3V9-7-F、BZX84C43-7-F、BZX84C43-7-F、BZX84C47-7-F、BZX84C47-7-F、BZX84C4V3-7-F、BZX84C4V7-13-F、BZX84C4V7-7-F、BZX84C51-7-F、BZX84C5V1-13-F、BZX84C5V1-13-F、BZX84C5V1-7-F、BZX84C5V1-7-F、BZX84C5V6-7-F、BZX84C6V2-7-F、BZX84C6V8-13-F、BZX84C6V8-13-F、BZX84C6V8-7-F、BZX84C6V8-7-F、BZX84C7V5-7-F、BZX84C8V2-7-F、BZX84C9V1-7-F、DDTA113TCA-7-F、DDTA113TCA-7-F、DDTA113ZCA-7-F、DDTA113ZCA-7-F、DDTA114ECA-7-F、DDTA114GCA-7-F、DDTA114GCA-7-F、DDTA114TCA-7-F、DDTA114WCA-7-F、DDTA114WCA-7-F、DDTA114YCA-7-F、DDTA115ECA-7-F、DDTA115GCA-7-F、DDTA115TCA-7-F、DDTA115TCA-7-F、DDTA123ECA-7-F、DDTA123ECA-7-F、DDTA123JCA-7-F、DDTA123TCA-7-F、DDTA123YCA-7-F、DDTA124ECA-7-F、DDTA124ECA-7-F、DDTA124GCA-7-F、DDTA124GCA-7-F、DDTA124TCA-7-F、DDTA124TCA-7-F、DDTA124XCA-7-F、DDTA124XCA-7-F、DDTA125TCA-7-F、DDTA143ECA-7-F、DDTA143ECA-7-F、DDTA143FCA-7-F、DDTA143FCA-7-F、DDTA143TCA-7-F、DDTA143XCA-7-F、DDTA143XCA-7-F、DDTA143ZCA-7-F、DDTA143ZCA-7-F、DDTA144ECA-7-F、DDTA144GCA-7-F、DDTA144GCA-7-F、DDTA144TCA-7-F、DDTA144TCA-7-F、DDTA144VCA-7-F、DDTA144WCA-7-F、DDTA144WCA-7-F、DDTB113EC-7-F、DDTB113EC-7-F、DDTB113ZC-7-F、DDTB113ZC-7-F、DDTB114EC-7-F、DDTB114GC-7-F、DDTB114GC-7-F、DDTB114TC-7-F、DDTB114TC-7-F、DDTB122JC-7-F、DDTB122JC-7-F、DDTB122LC-7-F、DDTB122LC-7-F、DDTB122TC-7-F、DDTB122TC-7-F、DDTB123EC-7-F、DDTB123TC-7-F、DDTB123YC-7-F、DDTB133HC-7-F、DDTB133HC-7-F、DDTB142JC-7-F、DDTB142TC-7-F、DDTB142TC-7-F、DDTB143EC-7-F、DDTB143EC-7-F、DDTB143TC-7-F、DDTB143TC-7-F、DDTC113TCA-7-F、DDTC113TCA-7-F、DDTC113ZCA-7-F、DDTC114ECA-7-F、DDTC114GCA-7-F、DDTC114GCA-7-F、DDTC114TCA-7-F、DDTC114TCA-7-F、DDTC114WCA-7-F、DDTC114YCA-7-F、DDTC115ECA-7-F、DDTC115GCA-7-F、DDTC115GCA-7-F、DDTC115TCA-7-F、DDTC115TCA-7-F、DDTC123ECA-7-F、DDTC123ECA-7-F、DDTC123JCA-7-F、DDTC123TCA-7-F、DDTC123TCA-7-F、DDTC123YCA-7-F、DDTC124ECA-7-F、DDTC124GCA-7-F、DDTC124GCA-7-F、DDTC124TCA-7-F、DDTC124TCA-7-F、DDTC124XCA-7-F、DDTC125TCA-7-F、DDTC125TCA-7-F、DDTC143ECA-7-F、DDTC143FCA-7-F、DDTC143FCA-7-F、DDTC143TCA-7-F、DDTC143TCA-7-F、DDTC143XCA-7-F、DDTC143ZCA-7-F、DDTC144ECA-7-F、DDTC144GCA-7-F、DDTC144GCA-7-F、DDTC144TCA-7-F、DDTC144TCA-7-F、DDTC144VCA-7-F、DDTC144WCA-7-F、DDTC144WCA-7-F、DDTD113EC-7-F、DDTD113EC-7-F、DDTD113ZC-7-F、DDTD114EC-7-F、DDTD114GC-7-F、DDTD114GC-7-F、DDTD114TC-7-F、DDTD114TC-7-F、DDTD122JC-7-F、DDTD122LC-7-F、DDTD122TC-7-F、DDTD123EC-7-F、DDTD123EC-7-F、DDTD123TC-7-F、DDTD123YC-7-F、DDTD133HC-7-F、DDTD133HC-7-F、DDTD142JC-7-F、DDTD142TC-7-F、DDTD143EC-7-F、DDTD143TC-7-F、DDTD143TC-7-F、DDZX10C-13、DDZX10C-7、DDZX11C-13、DDZX11C-7、DDZX12C-13、DDZX12C-7、DDZX13B-13、DDZX13B-7、DDZX14-13、DDZX14-7、DDZX15-13、DDZX15-7、DDZX16-13、DDZX16-7、DDZX18C-13、DDZX18C-7、DDZX20C-13、DDZX20C-7、DDZX22D-13、DDZX22D-7、DDZX24C-13、DDZX24C-7、DDZX27D-13、DDZX27D-7、DDZX30D-13、DDZX30D-7、DDZX33-13、DDZX33-7、DDZX36-13、DDZX36-7、DDZX39F-13、DDZX39F-7、DDZX43-13、DDZX43-7、DDZX5V1B-13、DDZX5V1B-7、DDZX5V6B-13、DDZX5V6B-7、DDZX6V2B-13、DDZX6V2B-7、DDZX6V8C-13、DDZX6V8C-7、DDZX7V5C-13、DDZX7V5C-7、DDZX8V2C-13、DDZX8V2C-7、DDZX9V1C-13、DDZX9V1C-7、DZ23C10-7-F、DZ23C11-7-F、DZ23C12-7-F、DZ23C13-7-F、DZ23C15-7-F、DZ23C16-7-F、DZ23C18-7-F、DZ23C20-7-F、DZ23C22-7-F、DZ23C24-7-F、DZ23C27-7-F、DZ23C2V7-7-F、DZ23C30-7-F、DZ23C33-7-F、DZ23C36-7-F、DZ23C39-7-F、DZ23C3V0-7-F、DZ23C3V3-7-F、DZ23C3V6-7-F、DZ23C3V9-7-F、DZ23C43-7-F、DZ23C47-7-F、DZ23C4V3-7-F、DZ23C4V7-7-F、
DDZ5V1B-7、DDZ5V6B-7、DDZ6V2B-7、DDZ6V8B-7、DDZ6V8C-7、DDZ7V5B-7、DDZ7V5C-7、DDZ8V2B-7、DDZ8V2C-7、DDZ9678-7、DDZ9681-7、DDZ9682-7、DDZ9683-7、DDZ9684-7、DDZ9685-7、DDZ9686-7、DDZ9687-7、DDZ9688-7、DDZ9689-13、DDZ9689-7、DDZ9690-7、DDZ9691-7、DDZ9692-7、DDZ9693-7、DDZ9694-7、DDZ9696-7、DDZ9697-7、DDZ9698-7、DDZ9699-7、DDZ9700-7、DDZ9701-7、DDZ9702-7、DDZ9703-7、DDZ9704-7、DDZ9705-7、DDZ9707-7、DDZ9708-7、DDZ9709-7、DDZ9711-7、DDZ9712-7、DDZ9713-7、DDZ9714-7、DDZ9715-7、DDZ9716-7、DDZ9717-7、DDZ9V1B-7、DDZ9V1C-7、MMSZ5221B-7-F、MMSZ5223B-7-F、MMSZ5225B-7-F、MMSZ5226B-7-F、MMSZ5227B-7-F、MMSZ5228B-7-F、MMSZ5229B-7-F、MMSZ5230B-13-F、MMSZ5230B-7-F、MMSZ5231B-7-F、MMSZ5232B-7-F、MMSZ5233B-7-F、MMSZ5234B-7-F、MMSZ5235B-7-F、MMSZ5236B-7-F、MMSZ5237B-7-F、MMSZ5238B-7-F、MMSZ5239B-7-F、MMSZ5240B-7-F、MMSZ5241B-7-F、MMSZ5242B-7-F、MMSZ5243B-7-F、MMSZ5245B-7-F、MMSZ5246B-7-F、MMSZ5248B-7-F、MMSZ5250B-7-F、MMSZ5251B-7-F、MMSZ5252B-13-F、MMSZ5252B-7-F、MMSZ5254B-7-F、MMSZ5255B-7-F、MMSZ5256B-13-F、MMSZ5256B-7-F、MMSZ5257B-7-F、MMSZ5258B-7-F、MMSZ5259B-7-F、BZT52C10S-7-F、BZT52C11S-7-F、BZT52C12S-7-F、BZT52C13S-7-F、BZT52C15S-7-F、BZT52C16S-7-F、BZT52C18S-7-F、BZT52C20S-7-F、BZT52C22S-7-F、BZT52C24S-7-F、BZT52C27S-7-F、BZT52C27S-7-F、BZT52C2V0S-7-F、BZT52C2V4S-7-F、BZT52C2V4S-7-F、BZT52C2V7S-7-F、BZT52C30S-7-F、BZT52C33S-7-F、BZT52C36S-7-F、BZT52C39S-7-F、BZT52C3V0S-7-F、BZT52C3V3S-7-F、BZT52C3V6S-7-F、BZT52C3V9S-7-F、BZT52C4V3S-7-F、BZT52C4V7S-7-F、BZT52C51S-7、BZT52C5V1S-7-F、BZT52C5V6S-7-F、BZT52C6V2S-7-F、BZT52C6V8S-7-F、BZT52C7V5S-7-F、BZT52C8V2S-7-F、BZT52C9V1S-7-F、DDZ10CS-7、DDZ11CS-7、DDZ12CS-7、DDZ13BS-7、DDZ14S-7、DDZ15S-7、DDZ16S-7、DDZ18CS-7、DDZ20CS-7、DDZ22DS-7、DDZ24CS-7、DDZ27DS-7、DDZ30DS-7、DDZ33S-7、DDZ36S-7、DDZ43S-7、DDZ47S-7、DDZ5V1BS-7、DDZ5V6BS-7、DDZ6V2BS-7、DDZ6V8CS-7、DDZ7V5CS-7、DDZ8V2CS-7、DDZ9682S-7、DDZ9683S-7、DDZ9684S-7、DDZ9685S-7、DDZ9686S-7、DDZ9687S-7、DDZ9688S-7、DDZ9689S-7、DDZ9690S-7、DDZ9691S-7、DDZ9692S-7、DDZ9693S-7、DDZ9694S-7、DDZ9696S-7、DDZ9697S-7、DDZ9698S-7、DDZ9699S-7、DDZ9700S-7、DDZ9701S-7、DDZ9702S-7、DDZ9703S-7、DDZ9705S-7、DDZ9707S-7、DDZ9708S-7、DDZ9709S-7、DDZ9711S-7、DDZ9712S-7、DDZ9713S-7、DDZ9714S-7、DDZ9715S-7、DDZ9716S-7、DDZ9717S-7、DDZ9V1CS-7、MMSZ5221BS-7-F、MMSZ5223BS-7-F、MMSZ5225BS-7-F、MMSZ5226BS-7-F、MMSZ5227BS-7-F、MMSZ5228BS-7-F、MMSZ5229BS-7-F、MMSZ5230BS-7-F、MMSZ5231BS-7-F、MMSZ5232BS-7-F、MMSZ5233BS-7-F、MMSZ5234BS-7-F、MMSZ5235BS-7-F、MMSZ5236BS-7-F、MMSZ5237BS-7-F、MMSZ5238BS-7-F、MMSZ5239BS-7-F、MMSZ5240BS-7-F、MMSZ5241BS-7-F、MMSZ5242BS-7-F、MMSZ5243BS-7-F、MMSZ5245BS-7-F、MMSZ5246BS-7-F、MMSZ5248BS-7-F、MMSZ5250BS-7-F、MMSZ5251BS-7-F、MMSZ5252BS-7-F、MMSZ5254BS-7-F、MMSZ5255BS-7-F、MMSZ5256BS-7-F、MMSZ5257BS-7-F、MMSZ5258BS-7-F、MMSZ5259BS-7-F、UDZ10B-7、UDZ11B-7、UDZ12B-7、UDZ13B-7、UDZ15B-7、UDZ3V6B-7、UDZ3V9B-7、UDZ4V3B-7、UDZ5V1B-7、UDZ5V6B-7、UDZ6V2B-7、UDZ6V8B-7、UDZ7V5B-7、UDZ8V2B-7、UDZ9V1B-7、1N4148WT-7、1N4448HWT-7、BZT52C2V0T-7、BZT52C2V4T-7、BZT52C2V7T-7、BZT52C3V0T-7、BZT52C3V3T-7、BZT52C3V6T-7、BZT52C3V9T-7、BZT52C4V3T-7、BZT52C4V7T-7、BZT52C5V1T-7、BZT52C5V6T-7、BZT52C6V2T-7、BZT52C6V8T-7、BZT52C7V5T-7、BZT52C8V2T-7、BZT52C9V1T-7、BZT52C10T-7、BZT52C11T-7、BZT52C12T-7、BZT52C13T-7、BZT52C15T-7、BZT52C16T-7、BZT52C18T-7、BZT52C20T-7、BZT52C22T-7、BZT52C24T-7、DDZ9689T-7、DDZ9690T-7、DDZ9691T-7、DDZ9692T-7、DDZ9693T-7、DDZ9694T-7、DDZ9696T-7、DDZ9697T-7、DDZ9698T-7、DDZ9699T-7、DDZ9700T-7、DDZ9701T-7、DDZ9702T-7、DDZ9703T-7、DDZ9705T-7、DDZ9707T-7、DDZ9708T-7、DDZ9709T-7、DDZ9711T-7、DDZ9712T-7、DDZ9713T-7、DDZ9714T-7、DDZ9715T-7、DDZ9716T-7、DDZ9717T-7、DMOZ20V-7、DMOZ33V-7、SDM03U40-7、SDM10U45-7、SDM20U30-7、SDM20U40-7、T12S5-7、T3V3S5-7、T5V0S5-7、T6V0S5-7、AP1121BSG-13、AP1509-12SG-13、AP1509-33SG-13、AP1509-50SG-13、AP1509-SG-13、AP1510SG-13、AP1513SG-13、AP1533SG-13、AP1605SG-13、AP1609SG-13、AP2008SG-13、AP34063S8G-13、AP358SG-13、AP393SG-13、APX393SG-13、AP1117E15G-13、AP1117E15G-13、AP1117E18G-13、AP1117E25G-13、AP1117E33G-13、AP1117E50G-13、AP1117EG-13、AP1117EG-13-01、AP1122EG-13、AZ23C10-7-F、AZ23C11-7-F、AZ23C12-7-F、AZ23C13-7-F、AZ23C15-7-F、AZ23C16-7-F、AZ23C18-7-F、AZ23C20-13-F、AZ23C20-7-F、AZ23C22-7-F、AZ23C24-7-F、AZ23C27-7-F、AZ23C2V7-7-F、AZ23C30-7-F、AZ23C33-7-F、AZ23C36-13-F、AZ23C36-7-F、AZ23C39-7-F、AZ23C3V0-7-F、AZ23C3V3-7-F、AZ23C3V6-7-F、AZ23C3V9-7-F、AZ23C43-7-F、AZ23C47-7-F、AZ23C4V3-7-F、AZ23C4V7-7-F、AZ23C51-7-F、AZ23C5V1-13-F、AZ23C5V1-7-F、AZ23C5V6-7-F、AZ23C6V2-7-F、AZ23C6V8-7-F、AZ23C7V5-7-F、AZ23C8V2-7-F、AZ23C9V1-7-F、BZX84B3V9-7-F、BZX84B5V1-7-F、BZX84B5V6-7-F、BZX84B8V2-7-F、BZX84C10-13-F、BZX84C10-13-F、BZX84C10-7-F、BZX84C10-7-F、BZX84C11-7-F、BZX84C12-13-F、BZX84C12-7-F、BZX84C13-7-F、BZX84C13-7-F、BZX84C15-7-F、BZX84C16-7-F、BZX84C18-7-F、BZX84C18-7-F、BZX84C20-13-F、BZX84C20-7-F、BZX84C22-7-F、BZX84C24-7-F、BZX84C27-7-F、BZX84C27-7-F、BZX84C2V4-7-F、BZX84C2V4-7-F、BZX84C2V7-7-F、BZX84C30-7-F、BZX84C30-7-F、BZX84C33-7-F、BZX84C36-7-F、BZX84C39-7-F、BZX84C39-7-F、BZX84C3V3-7-F、BZX84C3V6-7-F、BZX84C3V6-7-F、BZX84C3V9-7-F、BZX84C43-7-F、BZX84C43-7-F、BZX84C47-7-F、BZX84C47-7-F、BZX84C4V3-7-F、BZX84C4V7-13-F、BZX84C4V7-7-F、BZX84C51-7-F、BZX84C5V1-13-F、BZX84C5V1-13-F、BZX84C5V1-7-F、BZX84C5V1-7-F、BZX84C5V6-7-F、BZX84C6V2-7-F、BZX84C6V8-13-F、BZX84C6V8-13-F、BZX84C6V8-7-F、BZX84C6V8-7-F、BZX84C7V5-7-F、BZX84C8V2-7-F、BZX84C9V1-7-F、DDTA113TCA-7-F、DDTA113TCA-7-F、DDTA113ZCA-7-F、DDTA113ZCA-7-F、DDTA114ECA-7-F、DDTA114GCA-7-F、DDTA114GCA-7-F、DDTA114TCA-7-F、DDTA114WCA-7-F、DDTA114WCA-7-F、DDTA114YCA-7-F、DDTA115ECA-7-F、DDTA115GCA-7-F、DDTA115TCA-7-F、DDTA115TCA-7-F、DDTA123ECA-7-F、DDTA123ECA-7-F、DDTA123JCA-7-F、DDTA123TCA-7-F、DDTA123YCA-7-F、DDTA124ECA-7-F、DDTA124ECA-7-F、DDTA124GCA-7-F、DDTA124GCA-7-F、DDTA124TCA-7-F、DDTA124TCA-7-F、DDTA124XCA-7-F、DDTA124XCA-7-F、DDTA125TCA-7-F、DDTA143ECA-7-F、DDTA143ECA-7-F、DDTA143FCA-7-F、DDTA143FCA-7-F、DDTA143TCA-7-F、DDTA143XCA-7-F、DDTA143XCA-7-F、DDTA143ZCA-7-F、DDTA143ZCA-7-F、DDTA144ECA-7-F、DDTA144GCA-7-F、DDTA144GCA-7-F、DDTA144TCA-7-F、DDTA144TCA-7-F、DDTA144VCA-7-F、DDTA144WCA-7-F、DDTA144WCA-7-F、DDTB113EC-7-F、DDTB113EC-7-F、DDTB113ZC-7-F、DDTB113ZC-7-F、DDTB114EC-7-F、DDTB114GC-7-F、DDTB114GC-7-F、DDTB114TC-7-F、DDTB114TC-7-F、DDTB122JC-7-F、DDTB122JC-7-F、DDTB122LC-7-F、DDTB122LC-7-F、DDTB122TC-7-F、DDTB122TC-7-F、DDTB123EC-7-F、DDTB123TC-7-F、DDTB123YC-7-F、DDTB133HC-7-F、DDTB133HC-7-F、DDTB142JC-7-F、DDTB142TC-7-F、DDTB142TC-7-F、DDTB143EC-7-F、DDTB143EC-7-F、DDTB143TC-7-F、DDTB143TC-7-F、DDTC113TCA-7-F、DDTC113TCA-7-F、DDTC113ZCA-7-F、DDTC114ECA-7-F、DDTC114GCA-7-F、DDTC114GCA-7-F、DDTC114TCA-7-F、DDTC114TCA-7-F、DDTC114WCA-7-F、DDTC114YCA-7-F、DDTC115ECA-7-F、DDTC115GCA-7-F、DDTC115GCA-7-F、DDTC115TCA-7-F、DDTC115TCA-7-F、DDTC123ECA-7-F、DDTC123ECA-7-F、DDTC123JCA-7-F、DDTC123TCA-7-F、DDTC123TCA-7-F、DDTC123YCA-7-F、DDTC124ECA-7-F、DDTC124GCA-7-F、DDTC124GCA-7-F、DDTC124TCA-7-F、DDTC124TCA-7-F、DDTC124XCA-7-F、DDTC125TCA-7-F、DDTC125TCA-7-F、DDTC143ECA-7-F、DDTC143FCA-7-F、DDTC143FCA-7-F、DDTC143TCA-7-F、DDTC143TCA-7-F、DDTC143XCA-7-F、DDTC143ZCA-7-F、DDTC144ECA-7-F、DDTC144GCA-7-F、DDTC144GCA-7-F、DDTC144TCA-7-F、DDTC144TCA-7-F、DDTC144VCA-7-F、DDTC144WCA-7-F、DDTC144WCA-7-F、DDTD113EC-7-F、DDTD113EC-7-F、DDTD113ZC-7-F、DDTD114EC-7-F、DDTD114GC-7-F、DDTD114GC-7-F、DDTD114TC-7-F、DDTD114TC-7-F、DDTD122JC-7-F、DDTD122LC-7-F、DDTD122TC-7-F、DDTD123EC-7-F、DDTD123EC-7-F、DDTD123TC-7-F、DDTD123YC-7-F、DDTD133HC-7-F、DDTD133HC-7-F、DDTD142JC-7-F、DDTD142TC-7-F、DDTD143EC-7-F、DDTD143TC-7-F、DDTD143TC-7-F、DDZX10C-13、DDZX10C-7、DDZX11C-13、DDZX11C-7、DDZX12C-13、DDZX12C-7、DDZX13B-13、DDZX13B-7、DDZX14-13、DDZX14-7、DDZX15-13、DDZX15-7、DDZX16-13、DDZX16-7、DDZX18C-13、DDZX18C-7、DDZX20C-13、DDZX20C-7、DDZX22D-13、DDZX22D-7、DDZX24C-13、DDZX24C-7、DDZX27D-13、DDZX27D-7、DDZX30D-13、DDZX30D-7、DDZX33-13、DDZX33-7、DDZX36-13、DDZX36-7、DDZX39F-13、DDZX39F-7、DDZX43-13、DDZX43-7、DDZX5V1B-13、DDZX5V1B-7、DDZX5V6B-13、DDZX5V6B-7、DDZX6V2B-13、DDZX6V2B-7、DDZX6V8C-13、DDZX6V8C-7、DDZX7V5C-13、DDZX7V5C-7、DDZX8V2C-13、DDZX8V2C-7、DDZX9V1C-13、DDZX9V1C-7、DZ23C10-7-F、DZ23C11-7-F、DZ23C12-7-F、DZ23C13-7-F、DZ23C15-7-F、DZ23C16-7-F、DZ23C18-7-F、DZ23C20-7-F、DZ23C22-7-F、DZ23C24-7-F、DZ23C27-7-F、DZ23C2V7-7-F、DZ23C30-7-F、DZ23C33-7-F、DZ23C36-7-F、DZ23C39-7-F、DZ23C3V0-7-F、DZ23C3V3-7-F、DZ23C3V6-7-F、DZ23C3V9-7-F、DZ23C43-7-F、DZ23C47-7-F、DZ23C4V3-7-F、DZ23C4V7-7-F、
SBR0220LP-7、SBR02U100LP-7SBR05U20LP-7、SBR02M30LP-7、SBR3U100LP-7、SBR3U150LP-7、SBR2A30P1-7、SBR2A40P1-7、SBR2M30P1-7、SBR2U30P1-7、SBR3M30P1-7、SBR3U30P1-7、SBR3U40P1-7、SBR130S3-7、SBR0220T5-7、SBR0230T5-7、ATS177-WLA-A、DCP51-13、DCP51-16-13、DCP52-13、DCP52-16-13、DCP53-13、DCP53-16-13、DCP54-13、DCP54-16-13、DCP55-13、DCP55-16-13、DCP56-13、DCP56-16-13、DCP68-13、DCP69A-13、DCP69A-16-13、DZT2222A-13、DZT2907A-13、DZT2907A-13-01、DZT3150-13、DZT3150-13、DZT491-13、DZT491-13、DZT5401-13、DZT5551-13、DZT591C-13、DZT851-13、DZT853-13、DZT951-13、DZT953-13、DZTA42-13、DZTA42-13、DZTA92-13、DMN2005LP4K-7、DMN32D2LFB4-7、1N4448HLP-7、BAS16LP-7、BAS40LP-7、BAT54LP-7、BZT52C10LP-7、BZT52C11LP-7、BZT52C12LP-7、BZT52C13LP-7、BZT52C15LP-7、BZT52C16LP-7、BZT52C18LP-7、BZT52C20LP-7、BZT52C22LP-7、BZT52C24LP-7、BZT52C2V4LP-7、BZT52C2V7LP-7、BZT52C36LP-7、BZT52C39LP-7、BZT52C3V0LP-7、BZT52C3V3LP-7、BZT52C3V6LP-7、BZT52C3V6LP-7、BZT52C3V9LP-7、BZT52C4V3LP-7、BZT52C4V7LP-7、BZT52C5V1LP-7、BZT52C5V6LP-7、BZT52C6V2LP-7、BZT52C6V8LP-7、BZT52C7V5LP-7、BZT52C8V2LP-7、BZT52C9V1LP-7、SDM10U45LP-7、SDM20U30LP-7、TPD6V8LP-7、BC847BLP-7、BC857BLP-7、DDTA114YLP-7、DDTA144ELP-7、DDTC113TLP-7、DDTC114ELP-7、DDTC114YLP-7、DDTC123JLP-7、DDTC143ZLP-7、DMN2005LPK-7、BAT54LPS-7、BC847CDLP-7、DMN2005DLP4K-7、MMDT3946LP4-7、DMP2104LP-7、DMC2004LPK-7、AP133-SNG-7、AP7165-FNG-7、AP7167-FNG-7、APX393M8G-13、DFLR1200-7、DFLR1400-7、DFLR1600-7、DFLS1100-7、DFLS1150-7、DFLS1200-7、DFLS120L-7、DFLS130-7、DFLS130L-7、DFLS140-7、DFLS140L-7、DFLS160-7、DFLS220L-7、DFLS230-7、DFLS230L-7、DFLS230LH-7、DFLS240-7、DFLS240L-7、DFLT10A-7、DFLT11A-7、DFLT12A-7、DFLT13A-7、DFLT14A-7、DFLT15A-7、DFLT16A-7、DFLT17A-7、DFLT18A-7、DFLT20A-7、DFLT22A-7、DFLT24A-7、DFLT26A-7、DFLT27A-7、DFLT28A-7、DFLT30A-7、DFLT33A-7、DFLT36A-7、DFLT40A-7、DFLT43A-7、DFLT45A-7、DFLT48A-7、DFLT51A-7、DFLT5V0A-7、DFLT6V0A-7、DFLT6V5A-7、DFLT7V0A-7、DFLT7V5A-7、DFLT8V0A-7、DFLT8V5A-7、DFLT9V0A-7、DFLU1200-7、DFLU1400-7、DFLZ10-7、DFLZ11-7、DFLZ12-7、DFLZ13-7、DFLZ15-7、DFLZ16-7、DFLZ18-7、DFLZ20-7、DFLZ22-7、DFLZ24-7、DFLZ27-7、DFLZ30-7、DFLZ33-7、DFLZ36-7、DFLZ39-7、DFLZ3V3-7、DFLZ3V6-7、DFLZ3V9-7、DFLZ4V3-7、DFLZ4V7-7、DFLZ5V1-7、DFLZ5V6-7、DFLZ6V2-7、DFLZ6V8-7、DFLZ7V5-7、DFLZ8V2-7、DFLZ9V1-7、、PD3S0230-7、PD3S120L-7、PD3S130H-7、PD3S130L-7、PD3S140-7、PD3S160-7、PD3SD2580-7、PD3Z284C10-7、PD3Z284C11-7、PD3Z284C12-7、PD3Z284C13-7、PD3Z284C15-7、PD3Z284C16-7、PD3Z284C18-7、PD3Z284C20-7、PD3Z284C22-7、PD3Z284C24-7、PD3Z284C27-7、PD3Z284C2V4-7、PD3Z284C2V7-7、PD3Z284C30-7、PD3Z284C33-7、PD3Z284C36-7、PD3Z284C39-7、PD3Z284C3V0-7、PD3Z284C3V3-7、PD3Z284C3V6-7、PD3Z284C3V9-7、PD3Z284C4V3-7、PD3Z284C4V7-7、PD3Z284C5V1-7、PD3Z284C5V6-7、PD3Z284C6V2-7、PD3Z284C6V8-7、PD3Z284C7V5-7、PD3Z284C8V2-7、PD3Z284C9V1-7、PDR3G-13、PDR5G-13、PDS1040-13、PDS1040CTL-13、PDS1040L-13、PDS1040S-13、PDS1045-13、PDS3100-13、PDS3200-13、PDS340-13、PDS360-13、PDS4150-13、PDS4200H-13、PDS5100-13、PDS5100H-13、PDS5100H-13-01、PDS540-13、PDS560-13、PDS760-13、PDS835L-13、PDU340-13、PDU420-13、PDU540-13、PDU620-13、PDU620CT-13、AH1802-WG-7、AH1803-WG-7、AH180-WG-7、AH182-WG-7、AH183-WG-7、AP130-15RG-7、AP130-15WG-7、AP130-18RG-7、AP130-18WG-7、AP130-20RG-7、AP130-20WG-7、AP130-25RG-7、AP130-25WG-7、AP130-28RG-7、AP130-28WG-7、AP130-30RG-7、AP130-30WG-7、AP130-33RG-7、AP130-33WG-7、AP130-35RG-7、AP130-35WG-7、AP431ARG-7、AP431AWG-7、AP431RG-7、AP431RL-7、AP431WG-7、AP432ARG-7、AP432AWG-7、AP432RG-7、AP432WG-7、DMN100-7-F、DMN2112SN-7、DMN2114SN-7、DMP2012SN-7、DMP3030SN-7、SDM20E40C-7-F、BZT52B6V2-7-F、BZT52C10-7-F、BZT52C11-7-F、BZT52C12-13-F、BZT52C12-13-F、BZT52C12-7-F、BZT52C12-7-F、BZT52C13-7-F、BZT52C13-7-F、BZT52C15-13-F、BZT52C15-7-F、BZT52C16-13-F、BZT52C16-7-F、BZT52C18-7-F、BZT52C18-7-F、BZT52C20-13-F、BZT52C20-7-F、BZT52C22-13-F、BZT52C22-13-F、BZT52C22-7-F、BZT52C24-13-F、BZT52C24-7-F、BZT52C27-13-F、BZT52C27-13-F、BZT52C27-7-F、BZT52C27-7-F、BZT52C2V0-7-F、BZT52C2V4-7-F、BZT52C2V4-7-F、BZT52C2V7-13-F、BZT52C2V7-7-F、BZT52C30-7-F、BZT52C33-13-F、BZT52C33-7-F、BZT52C36-7-F、BZT52C39-13-F、BZT52C39-13-F、BZT52C39-7-F、BZT52C39-7-F、BZT52C3V0-7-F、BZT52C3V3-7-F、BZT52C3V6-13-F、BZT52C3V6-13-F、BZT52C3V6-7-F、BZT52C3V6-7-F、BZT52C3V9-7-F、BZT52C43-7-F、BZT52C43-7-F、BZT52C47-7-F、BZT52C47-7-F、BZT52C4V3-7-F、BZT52C4V7-13-F、BZT52C4V7-7-F、BZT52C51-7-F、BZT52C5V1-13-F、BZT52C5V1-13-F、BZT52C5V1-7-F、BZT52C5V1-7-F、BZT52C5V6-13-F、BZT52C5V6-13-F、BZT52C5V6-7-F、BZT52C5V6-7-F、BZT52C6V2-13-F、BZT52C6V2-7-F、BZT52C6V2-7-F、BZT52C6V8-13-F、BZT52C6V8-13-F、BZT52C6V8-7-F、BZT52C6V8-7-F、BZT52C7V5-7-F、BZT52C8V2-13-F、BZT52C8V2-13-F、BZT52C8V2-7-F、BZT52C8V2-7-F、BZT52C9V1-13-F、BZT52C9V1-7-F、DDZ10B-7、DDZ10C-7、DDZ11B-7、DDZ11C-7、DDZ12B-7、DDZ12C-7、DDZ13B-7、DDZ14-7、DDZ14B-7、DDZ15-7、DDZ16-7、DDZ16B-7、DDZ17-7、DDZ18C-7、DDZ19-7、DDZ20C-7、DDZ21-7、DDZ22D-7、DDZ23-7、DDZ24C-7、DDZ26-7、DDZ27D-7、DDZ28-7、DDZ30D-7、DDZ31-7、DDZ33-7、DDZ34-7、DDZ36-7、DDZ39F-7、DDZ43-7、