Global
CN
Applications
Support
Support
With over a thousand cooperative customers and 17 years of service experience, we can provide you with everything from model selection to technical support
Development
Development
Our unyielding mission is to continuously innovate and lead the industry's progress.
News & Events
News & Events
We will share every little bit of our life with you at all times
About
About
Yinte Electronics integrates technology research and development, chip manufacturing, packaging and testing, sales, and service
Careers
Careers
Unleash potential together, shape a healthy future for humanity
msg
Contact
Products
Package
Dimensions
ESD Protection Diodes

ESDLLC5V0D06BH

new

The ESDLLC5V0D06BH is a bi-directional ESD protection diode featuring ultra-low capacitance (~0.35pF typical) and fast response time. Designed in a compact DFN0603 package, it provides robust IEC 61000-4-2 protection (±20kV air, ±15kV contact) while maintaining excellent signal integrity, making it ideal for USB, HDMI, DisplayPort, PCIe, and other high-speed digital interfaces.

Product details

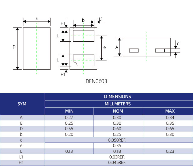
Package
DFN0603
Bi-/uni-directional
BI
Channel
2
Vrwm (V)
5.00
Vbr[min](V)
6.00
Vbr[max](V)
8.50
Ppk(W)
80.00
Ipp(A)
4.00
Vc@lpp [Max](V)
20.00
IR@Vrwm(μA)
0.50
@ iT (mA)
1.00
IEC 61000−4−2 VESD(Air)
20KV
IEC 61000−4−2 VESD(Contact)
15KV
C(max)(pF)
0.40
AEC-Q101 Qualified
no
Status
Active

Package Information

Mounting Type
patch
Package Type
DFN0603
Unit Weight
Packing Information
tape packaging:10000 pieces/reel

Related Products

Part Number
Category
Package Type
Status
Datasheet
ESD Protection Diodes
SOD323
Active
ESD Protection Diodes
SOD323
Active
ESD Protection Diodes
SOD323
Active
ESD Protection Diodes
SOD323
Active
ESD Protection Diodes
SOD323
Active
ESD Protection Diodes
SOD323
Active
ESD Protection Diodes
SOD323
Active
ESD Protection Diodes
SOD323
Active
ESD Protection Diodes
SOD323
Active
ESD Protection Diodes
SOD523
Active
Technical Resources / News
Technical Support & Contact
Mobile:+86 18721669954
Email:global@yint.com.cn